Bolts
Bolts are used to join two or more objects together, often with the aid of a nut. At Marshall Sales, we offer bolts for a wide range of industrial needs, including piping, fabrication, and construction.
To learn more about the bolts we have in stock, click the buttons below or scroll to explore.
Hex Bolts B7 & B8
We offer ASTM A193 Grade B7 and B8 bolts, which are heavily utilized in petroleum and chemical construction applications. The ASTM 193 standard covers alloy steel and stainless steel bolting materials for high-temperature or high-pressure services. This specification includes fasteners that are intended for use in pressure vessels, valves, flanges, and fittings.Ā Dimensions are as specified in ASME B18.2.1
Below is a basic summary of a few of the common grades. ASTM A193 covers several other standard specifications not covered in this description, including B5, B6, and B16. If you have questions, reach out to our team of experts.
| B7 | Alloy steel, AISI 4140/4142 quenched and tempered |
| B8 | Class 1 Stainless steel, AISI 304, carbide solution treated |
| B8M | Class 1 Stainless steel, AISI 316, carbide solution treated |
| B8 | Class 2 Stainless steel, AISI 304, carbide solution treated, strain hardened |
| B8M | Class 2 Stainless steel, AISI 316, carbide solution treated, strain hardened |
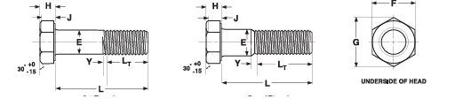
Heavy Hex Bolts (ASME B18.2.1)
| F | G | H | Lt | ||
|---|---|---|---|---|---|
| Size | Width Across Flats | Width Across Corners Max | Head Height | Thread Length for Bolt Length | |
| 6" and shorter | Over 6" | ||||
| 1/2 | 7/8 | 1.010 | 11/32 | 1.250 | 1.500 |
| 5/8 | 1 1/16 | 1.227 | 27/64 | 1.500 | 1.750 |
| 3/4 | 1 1/4 | 1.443 | 1/2 | 1.750 | 2.000 |
| 7/8 | 1 7/16 | 1.660 | 37/64 | 2.000 | 2.250 |
| 1 | 1 5/8 | 1.876 | 43/64 | 2.250 | 2.500 |
| 1 1/8 | 1 13/16 | 2.093 | 3/4 | 2.500 | 2.750 |
| 1 1/4 | 2 | 2.309 | 27/32 | 2.750 | 3.000 |
| 1 3/8 | 2 3/16 | 2.526 | 29/32 | 3.000 | 3.250 |
| 1 1/2 | 2 3/8 | 2.742 | 1 | 3.250 | 3.500 |
| 1 3/4 | 2 3/4 | 3.175 | 1 5/32 | 3.750 | 4.000 |
| 2 | 3 1/8 | 3.608 | 1 11/32 | 4.250 | 4.500 |
A325 Structural Bolts and A490 Structural Bolts
Heavy hex structural bolts are designed for steel-to-steel structural connections. The head of a Heavy Hex Structural Bolt is specified to be the same size as a Heavy Hex Nut of the same nominal diameter, allowing a single size wrench or socket to be used on either the bolt head or nut. Structural Bolts have a shorter thread length according to the standard, so the threads can be eliminated from the shear planes of the connection. There are three primary joint types in use today for Structural Bolts: Slip Critical Joints, Pre-Tensioned Joints, and Snug-Tightened Joints.
In 2016, specifications A325 and A490 were officially withdrawn by ASTM and replaced by ASTM F3125. A325 and A490 heavy hex structural bolts are now graded under the new F3125 specification.
ASME B18.2.6 (Structural Bolts)
| F | G | H | Lt | Y | ||
|---|---|---|---|---|---|---|
| Size | Width Across Flats | Width Across Corners Max | Head Height | Thread Length | Transition Thread Length | |
| 1/2 | 7/8 | 1.010 | 5/16 | 1.00 | 0.19 | |
| 5/8 | 1 1/16 | 1.227 | 25/64 | 1.25 | 0.22 | |
| 3/4 | 1 1/4 | 1.443 | 15/32 | 1.38 | 0.25 | |
| 7/8 | 1 7/16 | 1.660 | 35/64 | 1.50 | 0.28 | |
| 1 | 1 5/8 | 1.876 | 39/64 | 1.75 | 0.31 | |
| 1 1/8 | 1 13/16 | 2.093 | 11/16 | 2.00 | 0.34 | |
| 1 1/4 | 2 | 2.309 | 25/32 | 2.00 | 0.38 | |
| 1 3/8 | 2 3/16 | 2.526 | 27/32 | 2.25 | 0.44 | |
| 1 1/2 | 2 3/8 | 2.742 | 15/16 | 2.25 | 0.44 | |
A325 Structural Bolts
ASTM A325 Bolts are available in plain and galvanized (mechanical or hot dipped) versions. Marshall Sales offers A325 bolts in either Type I or Type III (weathering steel) materials, as well as in the A325T, a thread-to-thread configuration for lengths up to four times the diameter. Check out Heavy Hex Structure Bolts in the ASME B18.2.6 chart above for specifications. Threads are listed in ASME(ANSI) B1.1 as UNC (Unified Coarse).
A490 Structural Bolts
ASTM A490 bolts are high-strength bolts made from medium carbon alloy steel thatās heat-treated to achieve superior strength between 150-173 ksi. They come in a standard black finish or with a protective coating that meets ASTM F1136 Grade 3 standards for added durability. These bolts follow the Heavy Hex Structural Bolt dimensions in the ASME B18.2.6 chart and the standard UNC threads in the ASME B1.1 specifications chart.
Hex Bolts A307 & A307B
The ASTM A307 specification covers carbon steel bolts ranging from 1/4ā³ to 4ā³ in diameter. Grades A and B denote tensile strength, configuration, and application. Often, A307A is referred to only as A307
A307B bolts are supplied with Heavy hex heads and are typically used for flanged joints in piping systems. Dimensions for A307B are specified per ASME B18.2.1
| Grade | Tensile, ksi | Yield, min. ski | Elong%, min. |
|---|---|---|---|
| A | 60 min. | N/A | 18 |
| B | 60-100 | N/A | 18 |
| Fastener Type | Nominal Size Range | Notes |
|---|---|---|
| Nuts | 1/4 through 1 1/2 | A307A, A307B |
| Bolts | 1 5/8 through 4 | A307A |
| Washers | 1/4 through 4 | Unspecified |
| Hex Bolts | Varies | A5653A Hex, A5653A Heavy Hex, A563A Heavy Hex |
Heavy Hex Bolts (ASME B18.2.1-2010)
| F | G | H | Lt | ||
|---|---|---|---|---|---|
| Size | Width Across Flats | Width Across Corners Max | Head Height | Thread Length for Bolt Length | |
| 6" and shorter | Over 6" | ||||
| 1/2 | 7/8 | 1.010 | 11/32 | 1.250 | 1.500 |
| 5/8 | 1 1/16 | 1.227 | 27/64 | 1.500 | 1.750 |
| 3/4 | 1 1/4 | 1.443 | 1/2 | 1.750 | 2.000 |
| 7/8 | 1 7/16 | 1.660 | 37/64 | 2.000 | 2.250 |
| 1 | 1 5/8 | 1.876 | 43/64 | 2.250 | 2.500 |
| 1 1/8 | 1 13/16 | 2.093 | 3/4 | 2.500 | 2.750 |
| 1 1/4 | 2 | 2.309 | 27/32 | 2.750 | 3.000 |
| 1 3/8 | 2 3/16 | 2.526 | 29/32 | 3.000 | 3.250 |
| 1 1/2 | 2 3/8 | 2.742 | 1 | 3.250 | 3.500 |
| 1 3/4 | 2 3/4 | 3.175 | 1 5/32 | 3.750 | 4.000 |
| 2 | 3 1/8 | 3.608 | 1 11/32 | 4.250 | 4.500 |
Bolt Varieties
Tap Bolts
Often referred to as a fully threaded bolt, a Tap Bolt is threaded along the entire length of the bolt, from under the head to the end. This sets Tap Bolts apart from Hex Head Cap Screws and other Hex bolts, which only have partially threaded shafts. Tap Bolts are available in stainless steel and a variety of grades and plating to fit any needs.
Scraper Blade Bolts
Marshall Sales’ line of Dome Head Scraper Bolts is manufactured with a higher hardness and strength (170,000 psi) than standard Grade 8 Plow Bolts to provide additional wear resistance for demanding scraper blade applications.
The domed head design provides added ease of assembly and greater resistance to service failure compared to a standard flat-head plow bolt design.
- Specialized head diameter for tighter fits
- The head design allows for a universal fit for all #3 head bolts
- Smaller transition angles, allowing for greater resistance against spinning during installation
- Additional wear resistance, due to the higher hardness and strength
- Fuller engagement due to the deeper depth of the square
- Tighter tolerance on the body diameter minimizes the potential of the bolt moving in the hole, which can result in the assembly coming loose and rounding out of the installation holes
- The 170M head marking ensures high strength and best wear resistance. These bolts provide:
- 170,000 psi minimum Tensile StrengthĀ
- 140,000 psi minimum Proof Load StrengthĀ
- Hardness RC 37/42
Specialized head diameter for tighter fits
Fuller engagement due to the deeper depth of the square
| A | D | E | F | G | S | FR | CR | N | ||||||||||
|---|---|---|---|---|---|---|---|---|---|---|---|---|---|---|---|---|---|---|
| Size | Head Diameter | Body Diameter | Dome Height | Feed Thick | Width of Square | Depth of Square | Fillet Rad | Corner Rad | Transition Angle | |||||||||
| Sharp | Max | Min | Max | Min | Max | Max | Min | Max | Min | Max | Min | Max | Min | Max | Min | Nominal | ||
| 5/8-11 | 1.197 | 1.044 | 1.013 | 0.625 | 0.611 | 0.100 | 0.120 | 0.050 | 0.640 | 0.625 | 0.516 | 0.466 | 0.062 | 0.015 | 0.094 | 0.030 | 30° | |
| 3/4-10 | 1.488 | 1.200 | 1.169 | 0.750 | 0.735 | 0.110 | 0.160 | 0.090 | 0.765 | 0.750 | 0.581 | 0.541 | 0.125 | 0.031 | 0.109 | 0.030 | 30° | |
| 7/8-9 | 1.745 | 1.409 | 1.369 | 0.875 | 0.859 | 0.110 | 0.170 | 0.100 | 0.906 | 0.875 | 0.663 | 0.613 | 0.125 | 0.031 | 0.125 | 0.050 | 30° | |
| 1-8 | 1.933 | 1.597 | 1.557 | 1.000 | 0.983 | 0.120 | 0.170 | 0.100 | 1.031 | 1.000 | 0.737 | 0.677 | 0.125 | 0.031 | 0.141 | 0.050 | 30° | |
| 1 1/8-7 | N/A | 1.910 | 1.790 | 1.125 | 1.098 | 0.180 | 0.160 | 0.120 | 1.160 | 1.125 | 0.810 | 0.765 | 0.125 | 0.031 | 0.156 | 0.062 | 30° | |
| 1 1/4-7 | N/A | 2.087 | 1.969 | 1.250 | 1.223 | 0.190 | 0.180 | 0.140 | 1.290 | 1.250 | 0.945 | 0.892 | 0.177 | 0.062 | 0.172 | 0.062 | 30° | |
| 1 3/8-6 | N/A | 2.323 | 2.205 | 1.375 | 1.345 | 0.220 | 0.200 | 0.160 | 1.421 | 1.370 | 1.063 | 1.010 | 0.177 | 0.062 | 0.187 | 0.062 | 30° | |
| 1 1/2-6 | N/A | 2.520 | 2.401 | 1.500 | 1.470 | 0.250 | 0.200 | 0.160 | 1.559 | 1.496 | 1.181 | 1.122 | 0.177 | 0.062 | 0.203 | 0.078 | 30° | |
Carriage Bolts
Carriage bolts are threaded fasteners with a rounded head and a square neck under the head. This design prevents the bolt from turning when tightened with a nut, allowing for easy installation from one side. Carriage bolts are commonly used for fastening wood-to-wood or wood-to-metal connections and are available in galvanized steel, stainless steel, or zinc.
| E | A | H | O | P | |||||||
|---|---|---|---|---|---|---|---|---|---|---|---|
| Basic Bolt Diameter | Body Diameter | Head Diameter | Head Height | Square Width | Square Depth | ||||||
| Max | Min | Max | Min | Max | Min | Max | Min | Max | Min | ||
| *6 | 0.1380 | 0.122 | 0.108 | 0.313 | 0.278 | 0.086 | 0.071 | 0.160 | 0.135 | 0.094 | 0.062 |
| *8 | 0.1640 | 0.173 | 0.157 | 0.328 | 0.298 | 0.102 | 0.083 | 0.169 | 0.155 | 0.108 | 0.078 |
| 10 | 0.1900 | 0.199 | 0.159 | 0.469 | 0.436 | 0.114 | 0.094 | 0.199 | 0.185 | 0.125 | 0.094 |
| *12 | 0.2160 | 0.225 | 0.206 | 0.500 | 0.468 | 0.149 | 0.125 | 0.215 | 0.197 | 0.135 | 0.105 |
| 1/4 | 0.2500 | 0.260 | 0.213 | 0.594 | 0.563 | 0.145 | 0.125 | 0.260 | 0.245 | 0.156 | 0.125 |
| 5/16 | 0.3125 | 0.324 | 0.272 | 0.719 | 0.688 | 0.176 | 0.156 | 0.324 | 0.307 | 0.187 | 0.156 |
| 3/8 | 0.3750 | 0.388 | 0.329 | 0.844 | 0.782 | 0.208 | 0.188 | 0.388 | 0.368 | 0.219 | 0.188 |
| 7/16 | 0.4375 | 0.452 | 0.385 | 0.969 | 0.907 | 0.239 | 0.219 | 0.452 | 0.431 | 0.250 | 0.219 |
| 1/2 | 0.5000 | 0.515 | 0.444 | 1.094 | 1.032 | 0.270 | 0.250 | 0.515 | 0.492 | 0.281 | 0.250 |
| 5/8 | 0.6250 | 0.642 | 0.559 | 1.344 | 1.219 | 0.344 | 0.313 | 0.642 | 0.616 | 0.344 | 0.313 |
| 3/4 | 0.7500 | 0.768 | 0.678 | 1.594 | 1.469 | 0.406 | 0.375 | 0.768 | 0.741 | 0.406 | 0.375 |
| 7/8 | 0.8750 | 0.895 | 0.795 | 1.844 | 1.719 | 0.459 | 0.438 | 0.895 | 0.865 | 0.469 | 0.438 |
Lag Screws
Lag Screws, sometimes referred to as Lag Bolts, are large wood screws with a hex head. Designed for heavy-duty applications, the hexagonal head fits either a wrench or a socket, which allows for higher torque when driving the screw firmly into wood. These screws are available in galvanized steel, stainless steel, or zinc.
| E | F | G | H | S | |||||||||
|---|---|---|---|---|---|---|---|---|---|---|---|---|---|
| Basic Product Diameter | Threads Per Inch | Body or Shoulder Diameter | Width Across Flats | Width Across Corners | Head Height | Shoulder Length | |||||||
| Max | Min | Basic | Max | Min | Max | Min | Basic | Max | Min | Min | |||
| No. 10 | 0.1900 | 11 | 0.199 | 0.178 | 9/32 | 0.281 | 0.271 | 0.323 | 0.309 | 1/8 | 0.140 | 0.110 | 0.094 |
| 1/4 | 0.2500 | 10 | 0.260 | 0.237 | 7/16 | 0.438 | 0.425 | 0.505 | 0.484 | 11/64 | 0.188 | 0.150 | 0.094 |
| 5/16 | 0.3125 | 9 | 0.324 | 0.298 | 1/2 | 0.500 | 0.484 | 0.577 | 0.552 | 7/32 | 0.235 | 0.195 | 0.125 |
| 3/8 | 0.3750 | 7 | 0.388 | 0.360 | 9/16 | 0.562 | 0.544 | 0.650 | 0.620 | 1/4 | 0.268 | 0.226 | 0.125 |
| 7/16 | 0.4375 | 7 | 0.452 | 0.421 | 5/8 | 0.625 | 0.603 | 0.722 | 0.687 | 19/64 | 0.316 | 0.272 | 0.156 |
| 1/2 | 0.5000 | 6 | 0.515 | 0.482 | 3/4 | 0.750 | 0.725 | 0.866 | 0.826 | 11/32 | 0.364 | 0.302 | 0.156 |
| 5/8 | 0.6250 | 5 | 0.642 | 0.605 | 15/16 | 0.938 | 0.906 | 1.083 | 1.033 | 27/64 | 0.444 | 0.378 | 0.312 |
| 3/4 | 0.7500 | 4 1/2 | 0.768 | 0.729 | 1 1/8 | 1.125 | 1.088 | 1.299 | 1.240 | 1/2 | 0.524 | 0.455 | 0.375 |
| 7/8 | 0.8750 | 4 | 0.895 | 0.852 | 1 5/16 | 1.312 | 1.269 | 1.516 | 1.447 | 37/64 | 0.604 | 0.531 | 0.375 |
| Tolerance on Length | Nominal Screw Size | Nominal Screw Length | |||||||||||
| Thru 6 in. | Over 6 in. | ||||||||||||
| 1/2 and smaller | ±0.12 | ±0.25 | |||||||||||
| Over 1/2 | ±0.25 | ±0.25 | |||||||||||
Secure your materials with the right bolts. Our team will help you find the perfect fastening solution for every project. Browse our extensive inventory above and get in touch with our team when youāre ready to take the next step.